洛陽百潤斯軸承專業生產銷售VA250309-N轉盤軸承,外齒,四點接觸球結構回轉支承。
INA外齒小轉盤VA系列四點接觸球回轉支承型號:
|
|
VA250309-N轉盤軸承|外齒|四點接觸球結構 | ||
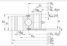
| d |
235 |
||
| D |
408.4 |
||
| H |
60 |
||
| Ca |
325 |
|
|
| Coa |
650 |
|
|
| Cr |
215 |
|
|
| Cor |
295 |
|
|
|
重量 |
29.5 |
||
VA250309-N
精確齒加工
NBR雙面密封,軸承所有表面都磨削加工,精度高,使用壽命長