百潤斯RIGBRS交叉滾子軸承特點:
1. 滾動體之間呈“X”型交叉排列,可以同時承受徑向、軸向的載荷。一套交叉滾子軸承相當于兩套普通軸承,節省空間和費用。
2. 適用于要求零游隙及負游隙的場合,或要求轉動阻力特別均衡的場合。
3. 高剛性,高旋轉精度
4. 安裝方便
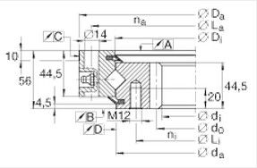
| XSA系列交叉滾子軸承-外齒 | |||
| 型號 |
d |
D |
H |
| XSA140414-N | 344 | 503,3 | 56 |
| XSA140544-N | 474 | 640,3 | 56 |
| XSA140644-N | 574 | 742,3 | 56 |
| XSA140744-N | 674 | 838,1 | 56 |
| XSA140844-N | 774 | 950,1 | 56 |
| XSA140944-N | 874 | 1046,1 | 56 |
| XSA141094-N | 1024 | 1198,1 | 56 |
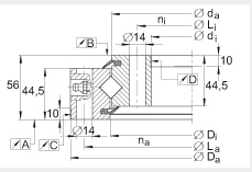
| XSU系列交叉滾子軸承-無齒 | |||
| 型號 |
d |
D |
H |
| XSU140414 | 344 | 484 | 56 |
| XSU140544 | 474 | 614 | 56 |
| XSU140644 | 574 | 714 | 56 |
| XSU140744 | 674 | 814 | 56 |
| XSU140844 | 774 | 914 | 56 |
| XSU140944 | 874 | 1014 | 56 |
| XSU141094 | 1024 | 1164 | 56 |
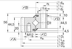
| XSI系列交叉滾子軸承-內齒 | |||
| 型號 |
d |
D |
H |
| XSI140414-N | 325 | 484 | 56 |
| XSI140544-N | 444 | 614 | 56 |
| XSI140644-N | 546 | 714 | 56 |
| XSI140744-N | 648 | 814 | 56 |
| XSI140844-N | 736 | 914 | 56 |
| XSI140944-N | 840 | 1014 | 56 |
| XSI141094-N | 984 | 1164 | 56 |